Техническая документация:
Характеристики
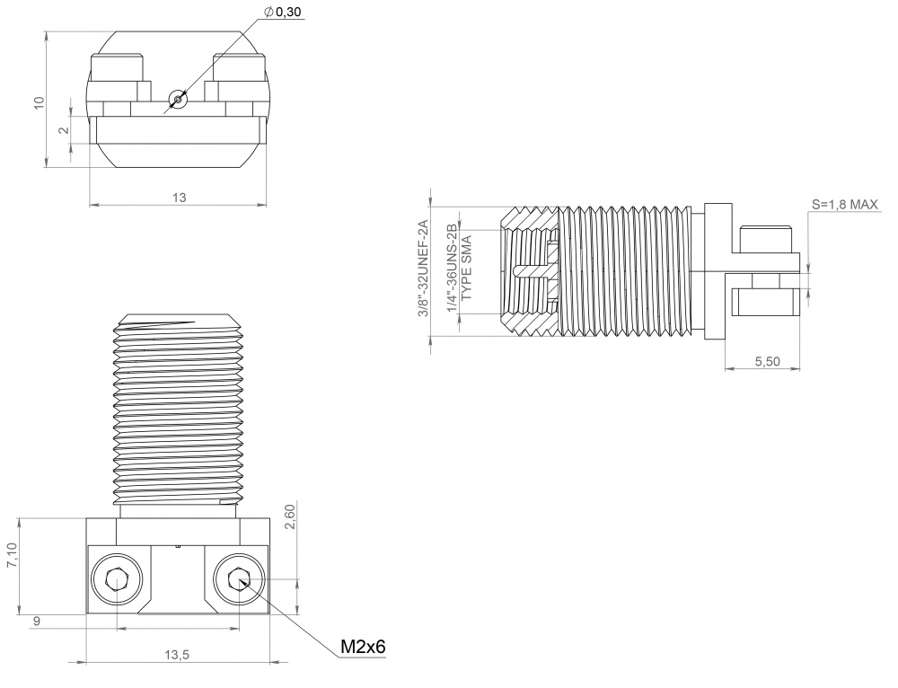
ВЧ разъём SMA - типа, вилка(папа), под пайку с фиксацией к плате любой толщины, со штатными винтами M2х6 подходит к платам до 1,8 мм.
При использования разъёма на более толстой плате, необходимо заменить винты на более длинные.
В комплекте с разъёмом идёт прижимная планка для него и два винта M2x6 под шестигранник.
| Диапазон частот, ГГц | Возвратные потери (RL), дБ |
DC(постоянный ток) - 18 ГГц |
|
DC(постоянный ток) - 28 ГГц |
≧15 |
Габариты, вес, количество товара в упаковке:
|
Размеры индивидуальной упаковки (длина , ширина , высота ), мм
|
0
x
0
x
0
|
|
Масса в индивидуальной упаковке, грамм
|
30
|
Разъемы, переходники, аттенюаторы- характеристики:
|
Тип разъема
|
SMA
|
|
Тип исполнения
|
Прямой
|
|
Тип монтажа
|
На плату
|
|
Назначение
|
Вилка (папа)
|
|
Волновое сопротивление
|
50 Ом
|
|
Диэлектрик
|
Тефлон
|